Wir unterstützen kostenlos* bei der Antragstellung für Ihre 15% BAFA-Foerderung* Jetzt profitieren
MB-45 Aluminium-Fenster
Aluminium-Fenster · Innenbereich

MB-45

Speziell fuer den Innenbereich entwickelt, ueberzeugt das MB-45 durch sein besonders schlankes 2-Kammer-Aluminiumprofil mit lediglich 45 mm Einbautiefe. Ob Raumtrennung, Innenverglasung oder repraesentative Trennwaende — dieses System vereint modernes Design mit bewiesener Aluminium-Stabilitaet.

45 mm Bautiefe 2-Kammer-System Fuer Innenanwendung

Wir unterstützen kostenlos* bei der Antragstellung für Ihre 15% BAFA-Foerderung*

Egal ob Innen- oder Außenfenster — informieren Sie sich ueber Ihre Foerdermoglichkeiten. Wir beraten Sie gerne.

Jetzt beraten lassen
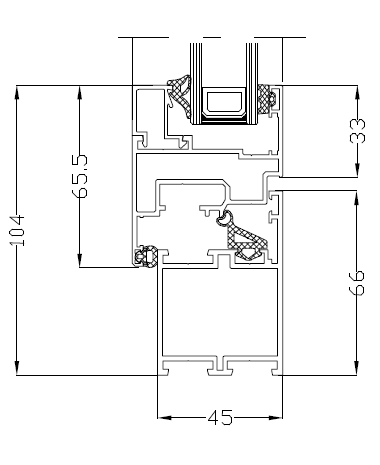
Profilquerschnitt

MB-45 Aluminium im Detail

Profilquerschnitt

MB-45 Profilquerschnitt — 45mm Bautiefe
45mm
Bautiefe
Innentür
Einsatz
Schlank
Profil

Musterecke

MB-45 Musterecke

MB-45 — Profilansicht

Profilmerkmale auf einen Blick:

  • Schlankes Innentür-System
  • Minimalistisches Design
  • Leichtgängige Beschläge
  • Ohne thermische Trennung
  • Ideal für Innenbereich
Produktdetails

Die schlanke Loesung fuer Innenraeume

Das MB-45 wurde gezielt fuer den Einsatz im Gebaeude­inneren konzipiert. Sein minimalistisches 2-Kammer-Profil mit nur 45 mm Tiefe passt sich elegant in jede Innenarchitektur ein. Zwei EPDM-Dichtungen sorgen fuer einen sauberen Abschluss, waehrend Verglasungsstaerken von 1,5 bis 37 mm den Einsatz unterschiedlichster Glasarten ermoeglichen — von klassischem Klarglas bis hin zu satiniertem oder dekorativem Glas. Die typische Langlebigkeit von Aluminium macht dieses Profil zur idealen Wahl fuer beanspruchte Innenbereiche.

Technische Daten

Profilsystem 2-Kammer Aluminium
Bautiefe 45 mm
Einsatzbereich Innenbereich
Dichtungen 2x EPDM
Verglasungsbereich 1,5 – 37 mm

Ihre Vorteile auf einen Blick

Schlankes Profil

Mit nur 45 mm Einbautiefe fuegt sich das MB-45 dezent in jede Raumgestaltung ein.

EPDM-Dichtungen

Zwei hochwertige EPDM-Dichtungen gewaehrleisten einen praezisen und langlebigen Abschluss.

Variable Verglasungen

Glasstaerken zwischen 1,5 und 37 mm — ob Einfachglas, Milchglas oder Sicherheitsglas.

Elegantes Design

Die moderne Aluminium-Optik verleiht Innenraeumen einen professionellen und zeitlosen Charakter.

Langlebig & pflegeleicht

Aluminium widersteht Abnutzung und behaelt auch nach intensiver Nutzung seine hochwertige Oberflaeche.

Vielseitig einsetzbar

Perfekt fuer Bueros, Praxen, Trennwaende und ueberall dort, wo elegante Innenverglasung gefragt ist.

MB-45 fuer Ihr Projekt?

Erhalten Sie eine kostenlose Beratung zu den Einsatzmoeglichkeiten des MB-45 in Ihrem Gebaeude.