Wir unterstützen kostenlos* bei der Antragstellung für Ihre 15% BAFA-Förderung*

Holzfenster

SOFTLINE 68/78/88

Natürlich schön und energieeffizient — das SOFTLINE vereint die Wärme von Echtholz mit zeitgemäßer Wärmedämmtechnik in drei Bautiefen.

3
Varianten
0,80
Uw ab W/(m²K)
Kiefer
/ Meranti
2
Dichtungen
SOFTLINE Holzfenster Profilansicht

15% BAFA-Förderung — wir unterstützen kostenlos* bei der Antragstellung*

Das SOFTLINE Holzfenster erfüllt sämtliche Voraussetzungen für die BAFA-Förderung. Profitieren Sie von staatlichen Zuschüssen beim Fenstertausch.

Förderung sichern
Musterecke

SOFTLINE Holzfenster im Detail

Profilquerschnitte

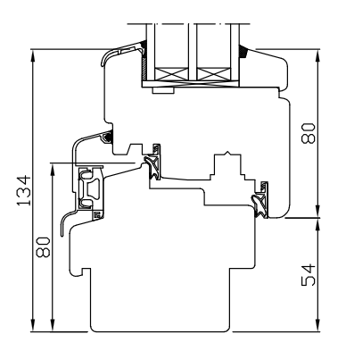
SOFTLINE 68 Profilquerschnitt
SOFTLINE 68
68 mm | Uw 1,08
SOFTLINE 78 Profilquerschnitt
SOFTLINE 78
78 mm | Uw 0,90
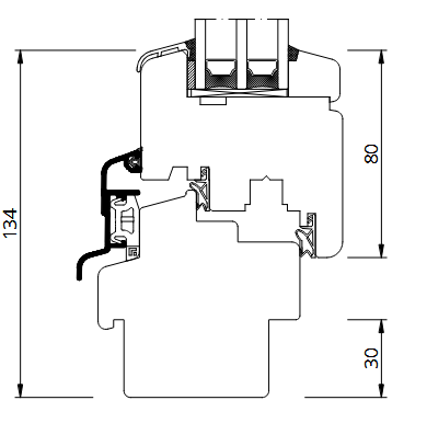
SOFTLINE 88 Profilquerschnitt
SOFTLINE 88
88 mm | Uw 0,80

Musterecke

SOFTLINE Holzfenster Musterecke

SOFTLINE — Profilansicht

Profilmerkmale auf einen Blick:

  • Massivholz Kiefer oder Meranti
  • Drei Bautiefen wählbar (68/78/88mm)
  • Umweltfreundlich und nachhaltig
  • Natürliche Wärmedämmung
  • Individuelle Lasur- und Lackfarben
Produktbeschreibung

Echtholz-Qualität in drei Bautiefen

Das SOFTLINE Holzfenster verbindet den natürlichen Charakter von echtem Massivholz mit modernster Fenstertechnologie. Gefertigt aus hochwertigem Kiefern- oder Merantiholz in bewährter 3-Schicht-Verleimung, bietet es eine außergewöhnliche Formstabilität und Langlebigkeit, die über viele Jahrzehnte Bestand hat.

Je nach gewünschter Wärmeschutzleistung stehen drei Profilstärken zur Auswahl: Mit 68 Millimetern Bautiefe erreicht das SOFTLINE einen Uw-Wert von 1,08 W/(m²K), bei 78 Millimetern verbessert sich dieser auf 0,9 W/(m²K), und die stärkste Ausführung mit 88 Millimetern erzielt hervorragende 0,8 W/(m²K). Damit eignet sich besonders die 88er-Variante ideal für den Einsatz in Niedrigenergie- und Passivhäusern.

Zwei umlaufende EPDM-Dichtungen gewährleisten eine durchgehend zuverlässige Abdichtung gegen Wind, Regen und Zugluft. In Verbindung mit den robusten MACO-Beschlägen entsteht ein Fenstersystem, das sowohl in puncto Bedienkomfort als auch Einbruchschutz überzeugt. Die Beschläge lassen sich auf Wunsch mit Zusatzsicherungen erweitern.

Das SOFTLINE ist die richtige Wahl für alle, die den warmen, natürlichen Charakter von Holzfenstern schätzen und gleichzeitig nicht auf zeitgemäße Energieeffizienz verzichten möchten. Die Holzoberfläche kann individuell lasiert oder deckend lackiert werden und bietet so unbegrenzte Gestaltungsmöglichkeiten.

Technische Daten

Alle drei Varianten im Vergleich

Eigenschaft SOFTLINE 68 SOFTLINE 78 SOFTLINE 88
Holzart Kiefer / Meranti Kiefer / Meranti Kiefer / Meranti
Verleimung 3-Schicht 3-Schicht 3-Schicht
Bautiefe 68 mm 78 mm 88 mm
Uw-Wert 1,08 W/(m²K) 0,90 W/(m²K) 0,80 W/(m²K)
Dichtungen 2 EPDM 2 EPDM 2 EPDM
Beschläge MACO MACO MACO
BAFA-förderfähig Ja Ja Ja
Vorteile

Was das SOFTLINE auszeichnet

Natürlicher Werkstoff

Hochwertiges Kiefern- oder Merantiholz in 3-Schicht-Verleimung garantiert eine ausgezeichnete Formstabilität und natürliche Wärmedämmung.

Drei Bautiefen wählbar

Von 68 bis 88 Millimetern Profiltiefe — wählen Sie die Variante, die perfekt zu Ihren energetischen Anforderungen passt.

Doppelte EPDM-Abdichtung

Zwei umlaufende Dichtungen aus langlebigem EPDM-Material bieten wirksamen Schutz gegen Zugluft, Nässe und Windeinwirkung.

MACO-Beschläge

Erstklassige Beschläge von MACO gewährleisten präzise Funktion, hohen Bedienkomfort und lassen sich mit Sicherheitsoptionen aufrüsten.

Individuelle Gestaltung

Die Holzoberfläche kann nach Wunsch lasiert oder deckend lackiert werden — für eine Optik, die perfekt zu Ihrem Zuhause passt.

BAFA-förderfähig

Sichern Sie sich 15% staatliche Förderung — wir unterstützen kostenlos* bei der Antragstellung*.

Interesse am SOFTLINE Holzfenster?

Fordern Sie jetzt Ihr persönliches Angebot an und profitieren Sie von unserem kostenlosen BAFA-Förderservice* — ganz ohne Aufwand für Sie.